Лебёдка электрическая (индустр.) 12V Runva 17500 lbs 7960 кг синтетический трос
Описание
Индустриальные лебедки обладают увеличенным редуктором, тянут медленнее, но мощнее, не очень подходят для спорта.
Также из достоинств лебедок Runva следует отметить:
- Поворотный редуктор, что позволяет разместить рычажок режима свободной размотки так, как вам удобно
- Все внутренние шестерни выполнены из стали, что обеспечивает высочайшую надежность
- Лебедка собрана полностью на резиновых прокладках (включая стягивающие винты), что обуславливает лучшую среди бюджетных лебедок влагозащищенность.
- Механизм свободной размотки
- Автоматический тормоз
- Напряжение питания: 12 В или 24 В
- Дистанционное управление, состоящее из блока и пульта
- Беспроводное дистанционное управление (опция)
- Мотор с последовательной обмоткой
Технические характеристики
- Тяговое усилие, lbs/кг: 17500/7930
- Мотор: 12В, 5.4 кВт / 7.2 л.с.
- Передаточное число: 430:1
- Трос: Ø12мм × 26.5м
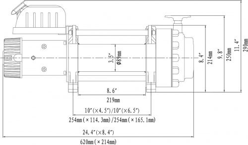
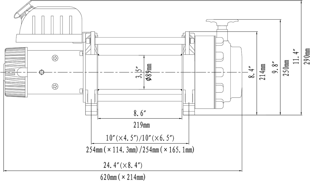
- Размеры барабана: Ø89 мм ×219 мм
- Общие размеры (ДхШхВ): 620 мм ×214 мм ×290 мм
- Вес: 53 кг
Максимальное усилие для слоёв троса на барабане лебедки Runva EWN17500U 12в
| Слой | Макс. нагрузка lb / Kг | Остаток троса на барабане м. |
| 1 | 17500 / 7938 | 6.0 |
| 2 | 14140 / 6114 | 13.0 |
| 3 | 11862 / 5381 | 21.0 |
| 4 | 10217 / 4634 | 26.5 |
Производительность автомобильной электрической лебедки Runva EWN17500U 12в
| Нагрузка Lbs(Kг) | Скорость намотки м/мин | Потребление тока, А |
| Без нагрузки | 6.0 | 100 |
| 6000 / 2722 | 2.2 | 220 |
| 10000 / 4536 | 1.7 | 320 |
| 12500 / 5670 | 1.5 | 350 |
| 14000 / 6350 | 1.4 | 380 |
| 17500 / 7938 | 0.9 | 450 |
Гарантийные условия:
- Гарантийный срок эксплуатации - 1 год
- Гарантия не распространяется на мотор, трос и ролики (клюз) лебедки
Данные для транспортной компании
- Габариты упаковки, мм: 620x300x215
- Вес Брутто, кг: 53
Видео
Характеристики
|
Бренд
|
RUNVA |
|
Тяговое усилие, фунты
|
17500 |
|
Максимальная нагрузка, кг
|
7900 |
|
Тип лебедки
|
Электрическая |
|
Трос
|
Синтетика |
|
Напряжение питания, В
|
12 |
|
Длина упаковки, мм
|
300 |
|
Ширина упаковки, мм
|
620 |
|
Высота упаковки, мм
|
215 |
|
Вес, кг
|
53 |
ДОСТОЙНОЕ предложение от компании 4x4CentrE: купить лебёдка электрическая (индустр.) 12v runva 17500 lbs 7960 кг синтетический трос по ИНТЕРЕСНОЙ цене от производителя, недорого! Быстрая доставка по Екатеринбургу и всей России со склада интернет-магазина.
Лебёдка электрическая (индустр.) 12V Runva 17500 lbs 7960 кг синтетический трос: описание, характеристики, видео, фото, обзоры, статьи, рекомендации профессионалов и отзывы автолюбителей. Онлайн каталог Лебёдки электрические на официальном сайте крупнейшего продавца оборудования для подготовки внедорожников на Урале.



